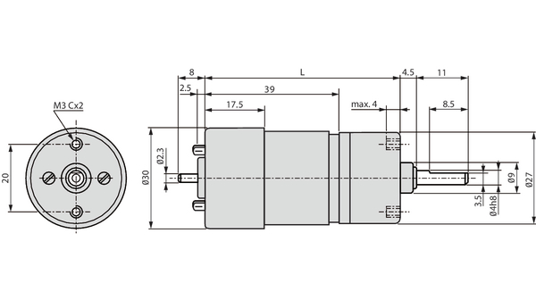
Micro Motors Geared DC Motor, 24 V dc, 150 Nmm, 9mm Shaft Diameter

brand logo

HT Part No. HT247635

Mfr. Part No. HL149-24-90

Manufacturer: Micro Motors

Technical Documents: A700000011321571.pdf(datasheets)

16 - In Stock pcs
Price:
£ 36.68
Units Per Unit Price
1 + £ 36.68
  • secure-payment
  • visa
  • american-express
  • master-card
  • opayo

Product Specification

Product Attributes

More Information

Micro Motors Geared DC Motor, 24 V dc, 150 Nmm, 9mm Shaft Diameter

Similar Products

Loading products...