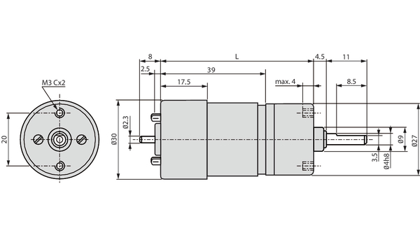
Micro Motors Geared DC Motor, 12 V dc, 150 Nmm, 9mm Shaft Diameter

brand logo

HT Part No. HT247675

Mfr. Part No. HL149-12-90

Manufacturer: Micro Motors

Technical Documents: A700000011321563.pdf(datasheets)

29 - In Stock pcs
Price:
£ 37.49
Units Per Unit Price
1 + £ 37.49
  • secure-payment
  • visa
  • american-express
  • master-card
  • opayo

Product Specification

Product Attributes

More Information

Micro Motors Geared DC Motor, 12 V dc, 150 Nmm, 9mm Shaft Diameter

Similar Products

Loading products...