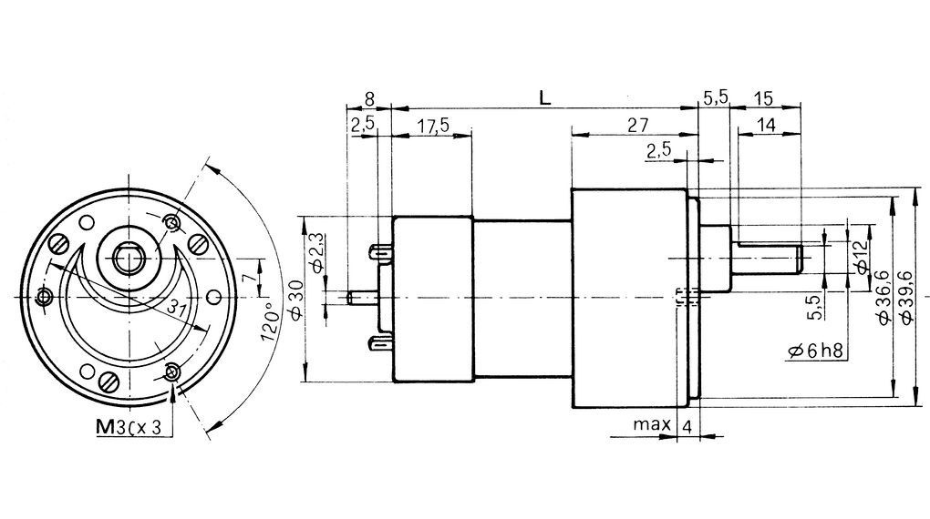
Micro Motors Geared DC Motor, 100 Nmm, 33 rpm, 6mm Shaft Diameter

brand logo

HT Part No. HT265742

Mfr. Part No. RH158-24-200

Manufacturer: Micro Motors

Technical Documents: A700000011341241.pdf(datasheets)

37 - In Stock pcs
Price:
£ 52.61
Units Per Unit Price
1 + £ 52.61
  • secure-payment
  • visa
  • american-express
  • master-card
  • opayo

Product Specification

Product Attributes

More Information

Micro Motors Geared DC Motor, 100 Nmm, 33 rpm, 6mm Shaft Diameter

Similar Products

Loading products...